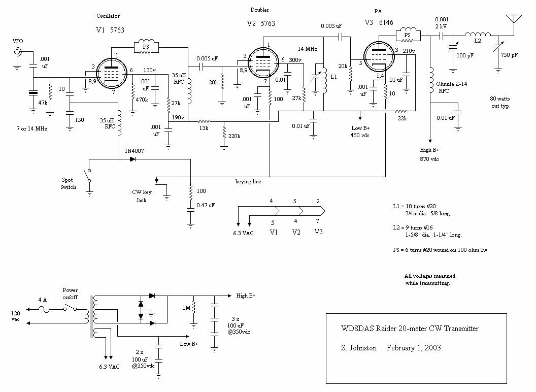
Photos of the WD8DAS "Raider" Transmitter

Click here to return to WD8DAS Home Page

























Click here to return to WD8DAS Home Page



NH